搜!
首页
产品展示
气动马达系列
气动搅拌器系列
气动工具系列
气动隔膜泵系列
污水处理药剂
新闻动态
公司新闻
业内动态
解决方案
气动隔膜泵解决方案
气动工具解决方案
气动搅拌器解决方案
气动马达解决方案
污水处理解决方案
应用案例
气动隔膜泵应用案例
气动工具应用案例
气动搅拌器应用案例
气动马达应用案例
污水处理应用案例
资料下载
气动马达资料
气动隔膜泵资料
其他资料
公司概况
公司概况
品牌概况
经理致辞
企业文化
文宸服务
联系我们
首页
>>
产品展示
>>
气动马达系列
>>
阿特拉斯 atlas copco气动马达
LZB34-RL 390W不锈钢
产品描述
ATLAS COPCO LZB34-RL系列不锈钢系列免润滑气动马达
功率范围:0.25 – 0.39 kW
ATEX 防爆认证气动马达
CE认证气动马达
多叶片细长型气动马达
产品所用材料:
• 前端、后端均采用不锈钢材质
适用于ISO 683/XIII Type 17, SS 14 2346, DIN 17440
X12CrNiS188
• 输出轴、外壳、齿轮组均为不锈钢材质
适用于ISO 683/XIII Type 9b, SS 14 2321, DIN 17440
X22CrNi17
• 100%不含硅
• 油脂符合食品级要求
EX认证,固定安装应用时,马达周围环境温升最大到+40°C
(104°F)。
型号参数如下:
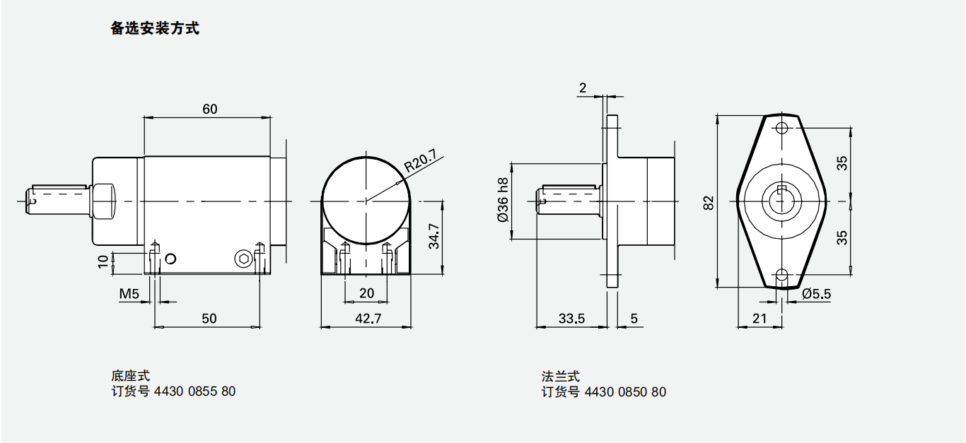
尺寸图纸如下:
如需了解更多信息,请咨询销售工程师。
上一条:
LZB33-L 390W气动马达
下一条:
LZB42-L 710W
相关产品推荐
气动马达水磨钻机
atlascopco···
atlascopco···
ATLAS COPC···
产品展示
气动马达系列
气动搅拌器系列
气动工具系列
气动隔膜泵系列
污水处理药剂
新闻动态
公司新闻
业内动态
解决方案
气动隔膜泵解决方案
气动工具解决方案
气动搅拌器解决方案
气动马达解决方案
污水处理解决方案
应用案例
气动隔膜泵应用案例
气动工具应用案例
气动搅拌器应用案例
气动马达应用案例
污水处理应用案例
资料下载
气动马达资料
气动隔膜泵资料
其他资料
公司概况
公司概况
品牌概况
经理致辞
企业文化
文宸服务
联系我们
关注官方微信
Copyright © 北京文宸科技有限责任公司 版权所有 备案ICP号:
京ICP备19044367号-1